
一、概述:
长期以来市场上使用的一般闸阀普遍存在着漏水或生锈现象,本企业引进欧洲高科技橡胶及阀门制造技术所生产的弹性座封闸阀,克服了一般闸阀密封不良、弹性疲乏、橡胶老化及生锈等缺陷,弹性座封闸阀利用弹性阀门产生微量弹性变形的补偿作用达到良好的密封效果,该阀具有开关轻巧、密封可靠、弹性记忆佳及使用寿命长等显著优点。可广泛用于自来水、污水、建筑、石油、化工、食品、医药、轻纺、电力、船舶、冶金、能源系统等流体管线上作为调节和截流装置使用。
二、特点:
重量轻:本体采用高级球墨铸铁制成,重量较传统闸阀重量减轻约20%-30%,安装维修方便。
平底式阀座:传统的闸阀往往在通水洗管后即因外物诸如石头、木块、水泥、铁屑、杂物等淤积于阀底凹槽内,容易造成无法关闭紧密而形成漏水现象,弹性座封闸阀底部采用与水管相同的平底设计,不易造成杂物淤积,使流体畅通无阻。
整体包胶: 阀门采用高品质的橡胶进行整体内、外包胶,欧洲-流的橡胶硫化技术使得硫化后的阀门能够保保精确的几何尺寸,且橡胶与球墨铸铁阀门接着牢靠,不易脱落及弹性汇忆佳。
精铸阀体:阀体采用精密铸造,精确的几何尺寸使得阀体内部无需任何精加工即可保证阀门的密封性。
嵌入式铜螺母:铜螺母与弹性阀门采用嵌入式接合,使二者紧密结合成为一体,不因水流动造成震动而产生松动或损坏现象。
耐腐蚀:阀体采用粉体环氧树脂涂装,可防止阀体的腐蚀及生锈,并司可用于污水系统。
不易碎裂:以往传统铸铁闸阀常因外物击中,碰撞或重压而造成断裂等现象。由于本体改用球墨铸铁,此种情形已可大幅度减少。
三“O”型环密封圈:由于阀杆采用三“O”型密封圈密封没计,可减少关闭时的摩擦阻力,大幅减少漏水现象及可以不停水施工更换密封圈。
有助生饮: 山于阀体内部以无毒性环氧树脂涂装, 阀门的内外表面均以橡胶完全披覆而不至于出现锈水或腐蚀现象,可供生饮。
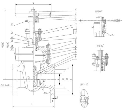
三、弹性软密封闸阀主要零件材质:
|
项次
|
零件号码
|
名 称
|
材 质
|
|
1
|
RV-01
|
阀 体
|
球墨铸铁、灰铸铁
|
|
2
|
RV-02
|
密封圈
|
NBR
|
|
3
|
RV-03
|
阀 盖
|
球墨铸铁、灰铸铁
|
|
4
|
RV-04
|
O-RING
|
NBR
|
|
5
|
RV-05
|
防尘罩
|
NBR
|
|
6
|
RV-06
|
固定螺栓
|
钢制或镀锌螺栓
|
|
7
|
RV-07
|
传动帽
|
球墨铸铁、灰铸铁
|
|
8
|
RV-08
|
阀 门
|
球墨铸铁外覆EPDM或NBR
|
|
9
|
RV-09
|
铜螺母
|
青 铜
|
|
项次
|
零件号码
|
名 称
|
材 质
|
|
10
|
RV-10
|
阀 体
|
2Cr13
|
|
11
|
RV-11
|
螺 栓
|
钢制或镀锌螺栓
|
|
12
|
RV-12
|
O-RING
|
NBR
|
|
13
|
RV-13
|
止推轴承
|
青 铜
|
|
14
|
RV-14
|
O-RING
|
NBR
|
|
15
|
RV-15
|
轴 盖
|
球墨铸铁、灰铸铁
|
|
16
|
RV-16
|
螺 栓
|
镀锌螺栓
|
|
17
|
RV-17
|
手 轮
|
灰铸铁
|
四、弹性软密封闸阀外形尺寸:
|
产品代号
|
公称通径
|
L
|
D1
|
D2
|
D3
|
Hmax.
|
B
|
F
|
N-φd
|
螺栓
|
||||
|
1.0MPa
|
1.6MPa
|
1.0MPa
|
1.6MPa
|
1.0MPa
|
1.6MPa
|
1.0MPa
|
1.6MPa
|
|||||||
|
RVC(H)X-0050
|
50
|
178
|
99
|
125
|
165
|
340
|
19
|
3
|
4- 9
|
M6
|
||||
|
RVC(H)X-0065
|
65
|
190
|
118
|
145
|
185
|
370
|
19
|
3
|
4- 9
|
M16
|
||||
|
RVC(H)X-0080
|
80
|
203
|
132
|
160
|
200
|
410
|
19
|
3
|
8-19
|
M16
|
||||
|
RVC(H)X-0100
|
100
|
229
|
156
|
180
|
220
|
450
|
19
|
3
|
8-19
|
M 6
|
||||
|
RVC(H)X-0125
|
125
|
254
|
184
|
210
|
250
|
480
|
19
|
3
|
8- 9
|
M16
|
||||
|
RVC(H)X-0150
|
150
|
267
|
211
|
240
|
285
|
550
|
19
|
3
|
8-23
|
M20
|
||||
|
RVC(H)X-0200
|
200
|
292
|
266
|
295
|
340
|
630
|
20
|
3
|
8-23
|
12·23
|
M20
|
|||
|
RVC(H)X-0250
|
250
|
330
|
319
|
350
|
355
|
405
|
750
|
22
|
3
|
12-23
|
12-28
|
M20
|
M24
|
|
|
RVC(H)X-0300
|
300
|
356
|
370
|
400
|
410
|
460
|
820
|
24.5
|
4
|
12-23
|
12-28
|
M20
|
M24
|
|
|
RVC(H)X-0350
|
350
|
38l
|
429
|
460
|
470
|
520
|
980
|
26.5
|
4
|
16-23
|
16-28
|
M20
|
M24
|
|
|
RVC(H)X·0400
|
400
|
406
|
480
|
515
|
525
|
580
|
1010
|
28
|
4
|
16-28
|
16-3l
|
M24
|
M27
|
|
|
RVC(H)P-0450
|
450
|
432
|
530
|
565
|
585
|
640
|
1270
|
30
|
4
|
20-28
|
20-31
|
M24
|
M27
|
|
|
RVC(H)P-0500
|
500
|
457
|
585
|
620
|
650
|
715
|
1270
|
31.5
|
4
|
20-28
|
20-34
|
M24
|
M30
|
|
|
RVC(H)P·0600
|
600
|
508
|
685
|
725
|
770
|
810
|
840
|
1390
|
36
|
5
|
20-31
|
20-37
|
M27
|
M33
|
备注:
DN50~600mm法兰钻孔按GB/T17241.6标准制造。
DN50~200mm法兰外径(D3)依PN10/16标准制造,DN250~500mm则符合PN16标准
DN600mm法兰外径(D3)1.0MPa符合JISG5527-7.5标准,1.6MPa符合PN16标准
两端面距(L)符合GB12221之短体型标准
RVXX表示非明杆式闸阀,RVXP表示附省力装置
RRXX表示明杆式闸阀
RRHX表示明杆式附手轮
RREX表示明杆式附电动操作装置
RVCX表示非明杆式附转动帽
RVHX表示非明杆式附手帽
RVHS表示非明杆式附信号显示器
RVEX表示非明杆式附电动操作装置
RVCH表示非明杆式附传动帽卧式操作装置
RVHH表示非明杆式附手轮卧式操作装置
PN25级另订制
上海若有变更尺寸,恕不另行通知
订货须知:
一、①弹性软密封闸阀产品名称与型号②弹性软密封闸阀口径③弹性软密封闸阀是否带附件以便我们的为您正确选型。
二、若已经由设计单位选定公司的弹性软密封闸阀型号,请按弹性软密封闸阀型号直接向我司销售部订购。
三、当使用的场合非常重要或环境比较复杂时,请您尽量提供设计图纸和详细参数,由我们的专家为您审核把关。
感谢您访问我们的网站,如有任何疑问.您可以致电给我们,我们一定会尽心尽力为您提供优质的服务