
一、产品[法兰连接三通球阀]的详细资料:
产品型号:Q44/Q45F
产品名称:法兰连接三通球阀
产品特点:法兰连接三通球阀,连接三通球阀,法兰三通球阀产品特点一、两阀座密封三通球阀结构紧凑、外型美观、密封性能好。也能实现管道中介流向的切换。也能使阻互垂直的两个通道连通或关闭。二、四阀座密封三通球阀造型美观,结构紧凑合理,它不仅可实现介质流向的切换,也可使三个通道相互连通,同时也可关闭任一通道,使另外一通道连通,灵活控制管路中介质的合流或分流。相关产品:真空球阀
二、主要零件材料:
|
零件名称 |
材质 |
|
|
GB |
ASTM |
|
|
阀体、阀盖 |
WCB |
A216-WCB |
|
密封圈 |
PTFE、对位聚苯 |
PTFE、对位聚苯 |
|
球体 |
1Cr18Ni9Ti |
SS304 |
|
阀座、阀杆 |
2Cr13 |
A246-416 |
|
双头螺栓 |
35CrMoA |
A193-B7 |
备注:三通球阀一般采用两阀座结构,如流向图A所示两种工况。选用两面阀座L型结构(即Q44型)。流向B中①和④两种工况亦可选用两阀座T型结构(即Q45型)。流向图B②和③两种工况必须选用四阀认T型结构(即Q45型)。其余工况也可以先用四阀座结构,但在订货合同中注明阀座结构。如阀门有其它要求请参阅样本《阀门的型号编制方法》填寰相应的要求代号。
三、主要性能范围:
|
公称压力 |
试验压力(MPa) |
|||
|
壳体 |
高压液密封 |
体压气密封 |
||
|
1.6 |
2.4 |
1.76 |
0.6 |
|
|
2.5 |
3.75 |
2.75 |
||
|
4.0 |
6.0 |
4.4 |
||
|
CLASS150 |
3.0 |
2.2 |
||
|
适用工况 |
适用介质 |
水、油品、气等非腐蚀和酸碱腐蚀介质 |
||
|
适用温度 |
-28~350℃ |
|||
|
应用规范 |
连接法兰 |
JB79-59、GB9113、HG20592-97、ANSI B16.5 |
||
|
检验试验 |
GB/T9092-99、API598 |
|||
其余制造规范均按本厂标准;
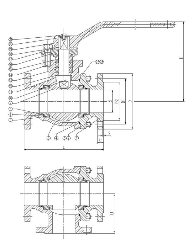
四、法兰连接三通球阀国标连接尺寸和外形 PN1.6MPa :
|
型号 |
公称通径DN(mm) |
尺寸(mm) |
|||||||||
|
L |
L2 |
D |
D1 |
D2 |
b |
f |
Z-d |
H |
W |
||
|
Q44F-16C |
15 |
150 |
72 |
95 |
65 |
45 |
14 |
2 |
4-14 |
95 |
130 |
|
20 |
160 |
80 |
105 |
75 |
55 |
14 |
2 |
4-14 |
110 |
130 |
|
|
25 |
180 |
90 |
115 |
85 |
65 |
14 |
2 |
4-18 |
120 |
140 |
|
|
32 |
200 |
100 |
135 |
100 |
78 |
16 |
2 |
4-18 |
144 |
180 |
|
|
40 |
220 |
110 |
145 |
110 |
85 |
16 |
3 |
4-18 |
152 |
220 |
|
|
50 |
240 |
120 |
160 |
125 |
100 |
16 |
3 |
4-23 |
182 |
220 |
|
|
65 |
260 |
130 |
180 |
145 |
120 |
16 |
3 |
4-18 |
193 |
240 |
|
|
80 |
280 |
140 |
195 |
160 |
135 |
20 |
3 |
8-18 |
217 |
270 |
|
|
100 |
320 |
160 |
215 |
180 |
155 |
20 |
3 |
8-18 |
245 |
350 |
|
|
125 |
380 |
190 |
245 |
210 |
185 |
22 |
3 |
8-18 |
282 |
500 |
|
|
150 |
440 |
220 |
280 |
240 |
210 |
24 |
3 |
8-23 |
319 |
600 |
|
|
200 |
550 |
260 |
335 |
295 |
265 |
26 |
3 |
12-23 |
380 |
1000 |
|
|
250 |
670 |
310 |
405 |
355 |
320 |
30 |
3 |
12-25 |
460 |
1400 |
|
|
300 |
720 |
370 |
460 |
410 |
375 |
30 |
3 |
12-25 |
520 |
1800 |
|
五、法兰连接三通球阀美标连接尺寸和外形 150Lb :
|
公称通径DN |
尺寸(mm) |
|||||||||
|
(in) |
(mm) |
L |
D |
D1 |
D2 |
b |
f |
Z-Φd |
H |
L0 |
|
1/2 |
15 |
140 |
89 |
60.5 |
35 |
10 |
1.6 |
4-Φ15 |
55 |
130 |
|
3/4 |
20 |
165 |
98 |
70 |
43 |
11 |
1.6 |
4-Φ15 |
55 |
130 |
|
1 |
25 |
165 |
108 |
79.5 |
51 |
12 |
1.6 |
4-Φ15 |
70 |
140 |
|
11/4 |
32 |
220 |
117 |
79 |
64 |
13 |
1.6 |
4-Φ15 |
75 |
180 |
|
11/2 |
40 |
250 |
127 |
98.5 |
73 |
15 |
1.6 |
4-Φ15 |
90 |
220 |
|
21/2 |
50 |
260 |
152 |
120.5 |
92 |
16 |
1.6 |
4-Φ19 |
104 |
260 |
|
2 |
65 |
320 |
178 |
139.5 |
105 |
18 |
1.6 |
4-Φ19 |
153 |
350 |
|
3 |
80 |
320 |
190 |
152.5 |
127 |
19 |
1.6 |
4-Φ19 |
187 |
400 |
|
4 |
100 |
370 |
229 |
190.5 |
157 |
24 |
1.6 |
8-Φ19 |
206 |
500 |
|
5 |
125 |
510 |
254 |
216 |
186 |
24 |
1.6 |
8-Φ22 |
252 |
600 |
|
6 |
150 |
510 |
279 |
241.5 |
216 |
26 |
1.6 |
8-Φ22 |
244 |
1000 |
|
8 |
200 |
580 |
373 |
298.5 |
270 |
29 |
1.6 |
8-Φ22 |
283 |
1300 |
|
10 |
250 |
670 |
406 |
362 |
324 |
31 |
1.6 |
12-Φ25 |
345 |
1600 |
|
12 |
300 |
720 |
483 |
432 |
381 |
32 |
1.6 |
12-Φ25 |
420 |
2100 |
订货须知:
一、①法兰连接三通球阀产品名称与型号②法兰连接三通球阀口径③法兰连接三通球阀是否带附件以便我们的为您正确选型。
二、若已经由设计单位选定公司的法兰连接三通球阀型号,请按法兰连接三通球阀型号直接向我司销售部订购。
三、当使用的场合非常重要或环境比较复杂时,请您尽量提供设计图纸和详细参数,由我们的专家为您审核把关。
感谢您访问我们的网站,如有任何疑问.您可以致电给我们,我们一定会尽心尽力为您提供优质的服务
你可能对球阀相关的产品感兴趣:GUQ气动真空球阀 FDQ41F防盗球阀