
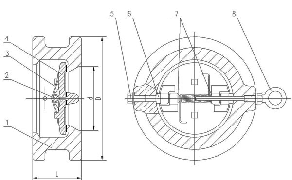
一、产品对夹升降式止回阀的详细资料:
产品型号:H71
产品名称:对夹升降式止回阀
产品特点:
二、流体力学性能:H71对夹升降式止回阀的体积流量与压力降关系:
水的当量体积流量Vw与实际流体的 体积流量v按下式换算:
式中:Vw一水的当量体积流量.l/s;
P一流体密度,kg/m3v一实际流体的体积流量,I/s;
一实际流体的体积流量,I/s。
三、流体力学性能:H71对夹双瓣旋启式止回阀的流体阻力系数、流量系数及开启压力:
|
公称通径 |
阀门全开启时的流体阻力系数 |
常温下阀门全开启时的水讲E量系数 |
流体的流向 |
|||||
|
DN |
NPS |
Kv(m3=/h) |
CV(U.S) |
CV(U.K) |
↑ |
↓ |
→ |
|
|
开启压力近似值KPa |
||||||||
|
15 |
1/2 |
6.4 |
2.6 |
3.0 |
2.5 |
3 |
2 |
2.5 |
|
20 |
3/4 |
5.1 |
6.4 |
7.5 |
6.3 |
3 |
2 |
2.5 |
|
25 |
4 |
4.1 |
12.6 |
14.8 |
12.3 |
3 |
2 |
2.5 |
|
32 |
11/4 |
4.1 |
19.7 |
23.1 |
19.3 |
3 |
2 |
2.5 |
|
40 |
11/2 |
3.8 |
29.5 |
63.9 |
28.9 |
3 |
2 |
2.5 |
|
50 |
2 |
3.5 |
54.6 |
99.9 |
63.5 |
3 |
2 |
2.5 |
|
65 |
21/2 |
3.5 |
85.4 |
150 |
83.7 |
3 |
2 |
2.5 |
|
80 |
3 |
3.2 |
128 |
286 |
125 |
3 |
2 |
2.5 |
|
100 |
4 |
2.8 |
244 |
286 |
249 |
3 |
2 |
2.5 |
|
125 |
5 |
2.9 |
375 |
439 |
368 |
3 |
1 |
2.2 |
|
150 |
6 |
3.1 |
522 |
611 |
512 |
3 |
1 |
2.2 |
|
200 |
8 |
3.2 |
915 |
1070 |
897 |
3 |
1 |
2.2 |
四、对夹升降式止回阀的型号、材料及主要参数:
|
配管法兰 |
公称压力 |
常规产品型号 |
||||||
|
JB/T74-90 |
PN1.0MPa |
H71H-10C |
H71W10P |
H71W10P8 |
H71W10P3 |
H71W10R |
H71W10R8 |
H71W10R3 |
|
PN1.6MPa |
H71H-16C |
H71H-16P |
H71H-16P8 |
H71H-16P3 |
H71H-16R |
H71H-16R8 |
H71H-16R3 |
|
|
PN2.5MPa |
H71H-25 |
H71H-25P |
H71H-25P8 |
H71H-25P3 |
H71H-25R |
H71H-25R8 |
H71H-25R3 |
|
|
PN4.0MPa |
H71H-40 |
H71H-40P |
H71H-40P8 |
H71H-40P3 |
H71H-40R |
H71H-40R8 |
H71H-40R3 |
|
|
PN6.3MPa |
H71H-63 |
H71H-63P |
H71H-63P8 |
H71H-63P3 |
H71H-63R |
H71H-63R8 |
H71H-63R3 |
|
|
PN10.0MPa |
H71H-100 |
H71H-100P |
H71H-100P8 |
H71H-100P3 |
H71H-100R |
H71H-100R8 |
H71H-100R3 |
|
|
PN16.0MPa |
H71H-160 |
H71H-160P |
H71H-160P8 |
H71H-160P3 |
H71H-160R |
H71H-160R8 |
H71H-160R3 |
|
|
CB/T9112-9124、HG20615-20635、SH3406 |
PN2.0MPa |
H71H-20C |
- |
H71H-20P8 |
H71H-20P3 |
- |
H71H-20R8 |
H71H-20R3 |
|
PN5.0MPa |
H71H-50 |
- |
H71H-50P8 |
H71H-50P3 |
- |
H71H-50R8 |
H71H-50R3 |
|
|
PN11.0MPa |
H71H-110 |
- |
H71H-110P8 |
H71H-110P3 |
- |
H71H-110R8 |
H71H-110R3 |
|
|
PN15.0MPa |
H71H-150 |
- |
H71H-150P8 |
H71H-150P3 |
- |
H71H-150R8 |
H71H-150R3 |
|
|
ANSIB16.5 |
Class150 |
H71H-A1C |
- |
H71H-A1CP8 |
H71H-A1P3 |
- |
H71H-A1R8 |
H71H-A1R3 |
|
Class300 |
H71H-A3 |
- |
H71H-A3P8 |
H71H-A3P3 |
- |
H71H-A3R8 |
H71H-A3R3 |
|
|
Class600 |
H71H-A6 |
- |
H71H-A6P8 |
H71H-A6P3 |
- |
H71H-A6R8 |
H71H-A6R3 |
|
|
Class900 |
H71H-A9 |
- |
H71H-A9P8 |
H71H-A9P3 |
- |
H71H-A9R8 |
H71H-A9R3 |
|
|
主要 |
阀体 |
WCB(A105) |
ZG1Cr18Ni9Ti |
CF8(304) |
CF3(304L) |
ZG1Cr18Ni12Mo2Ti |
CF8M(316) |
CF3M(316L) |
|
阀瓣 |
2Cr13 |
1Cr18Ni9Ti |
0Cr18Ni9 |
00Cr19Ni10 |
1Cr18Ni12TMo2i |
00Cr17Ni12Mo2 |
00Cr17Ni14Mo2 |
|
|
压圈 |
2Cr13 |
1Cr18Ni9Ti |
0Cr18Ni9 |
00Cr19Ni10 |
1Cr18Ni12TMo2i |
00Cr17Ni12Mo2 |
00Cr17Ni14Mo2 |
|
|
弹簧 |
0Cr18Ni9 |
0Cr18Ni9 |
0Cr18Ni9 |
00Cr19Ni10 |
1Cr18Ni12TMo2i |
00Cr17Ni12Mo2 |
00Cr17Ni14Mo2 |
|
|
适用工况 |
适月介质 |
水、蒸汽、 |
硝酸等腐蚀性介质 |
强氧化性介质 |
醋酸等腐蚀性介质 |
屎素等腐 |
||
|
适用温度(℃) |
-29~425 |
-196~540 |
-196~425 |
-196~540 |
-196~455 |
|||
|
注:本表为常规对夹式止回阀的型号编制、主要零件材料及适用工况,其他要求及其型号编制参见对夹式止回阀型号编制方法。 |
||||||||
五、H71对夹升降式止回阀的主要尺寸及重量:
|
公称压力 |
公称通径 |
尺寸(mm) |
重量 |
配管法兰(供参考) |
||||||||
|
L |
D |
D2 |
D3 |
D4 |
D5 |
螺栓孔中心 |
螺栓 |
螺栓直径d |
螺栓 |
|||
|
PN1.0MPa |
15 |
25 |
48 |
15 |
24 |
31 |
40 |
0.3 |
65 |
4 |
M12 |
75 |
|
20 |
31.5 |
58 |
19 |
30 |
40 |
50 |
0.5 |
75 |
4 |
M12 |
90 |
|
|
25 |
35.5 |
68 |
24 |
36 |
47 |
58 |
0.8 |
85 |
4 |
M12 |
90 |
|
|
32 |
40 |
80 |
31 |
46 |
56 |
68 |
1.3 |
100 |
4 |
M16 |
100 |
|
|
40 |
45 |
90 |
39 |
55 |
66 |
78 |
1.6 |
110 |
4 |
M16 |
105 |
|
|
50 |
56 |
105 |
48 |
65 |
78 |
90 |
2.3 |
125 |
4 |
M16 |
125 |
|
|
65 |
63 |
125 |
62 |
80 |
95 |
110 |
3.3 |
145 |
4 |
M16 |
130 |
|
|
80 |
71 |
140 |
76 |
96 |
110 |
125 |
4.4 |
160 |
8 |
M16 |
135 |
|
|
100 |
80 |
160 |
95 |
115 |
135 |
150 |
5.6 |
180 |
8 |
M16 |
150 |
|
|
125 |
110 |
190 |
110 |
125 |
132 |
- |
9.2 |
210 |
8 |
M16 |
180 |
|
|
150 |
125 |
215 |
127 |
150 |
158 |
- |
12.5 |
240 |
8 |
M20 |
210 |
|
|
PN1.0MPa |
200 |
160 |
215 |
165 |
200 |
208 |
- |
16.5 |
295 |
8 |
M20 |
240 |
|
PN1.6MPa |
200 |
160 |
2225 |
165 |
200 |
208 |
- |
16.5 |
295 |
12 |
M20 |
240 |
|
PN2.5MPa |
15 |
25 |
48 |
15 |
24 |
31 |
40 |
0.3 |
65 |
4 |
M12 |
80 |
|
20 |
31,5 |
58 |
19 |
30 |
40 |
50 |
0.5 |
75 |
4 |
M12 |
90 |
|
|
25 |
35.5 |
68 |
24 |
36 |
47 |
58 |
0.8 |
85 |
4 |
M12 |
90 |
|
|
32 |
40 |
80 |
31 |
46 |
56 |
68 |
1.3 |
100 |
4 |
M16 |
110 |
|
|
40 |
45 |
90 |
39 |
55 |
66 |
78 |
1.6 |
110 |
4 |
M16 |
115 |
|
|
50 |
56 |
105 |
48 |
65 |
78 |
90 |
2.3 |
125 |
4 |
M16 |
125 |
|
|
65 |
63 |
125 |
62 |
80 |
95 |
110 |
3.3 |
145 |
8 |
M16 |
135 |
|
|
80 |
71 |
140 |
76 |
96 |
110 |
128 |
4.4 |
160 |
8 |
M16 |
145 |
|
|
100 |
80 |
160 |
95 |
115 |
135 |
150 |
5.6 |
190 |
8 |
M20 |
160 |
|
|
125 |
110 |
190 |
110 |
125 |
132 |
- |
9.2 |
220 |
8 |
M24 |
205 |
|
|
150 |
125 |
215 |
127 |
150 |
158 |
- |
15 |
250 |
8 |
M24 |
225 |
|
|
200 |
140 |
270 |
165 |
200 |
208 |
- |
26 |
310 |
12 |
M24 |
260 |
|
|
PN4.0MPa |
15 |
25 |
48 |
15 |
24 |
31 |
40 |
0.3 |
65 |
4 |
M12 |
80 |
|
20 |
31.5 |
58 |
19 |
30 |
40 |
50 |
0.5 |
75 |
4 |
M12 |
90 |
|
|
25 |
35.5 |
68 |
24 |
36 |
47 |
58 |
0.8 |
85 |
4 |
M12 |
90 |
|
|
32 |
40 |
80 |
31 |
46 |
56 |
68 |
1.3 |
100 |
4 |
M16 |
110 |
|
|
40 |
45 |
90 |
39 |
55 |
66 |
78 |
1.6 |
110 |
4 |
M16 |
115 |
|
|
50 |
56 |
105 |
48 |
65 |
78 |
90 |
2.3 |
125 |
4 |
M16 |
125 |
|
|
65 |
63 |
125 |
62 |
80 |
95 |
110 |
3.3 |
145 |
8 |
M16 |
135 |
|
|
80 |
71 |
140 |
76 |
96 |
110 |
128 |
4.4 |
160 |
8 |
M16 |
145 |
|
|
100 |
80 |
165 |
,
95 |
115 |
135 |
150 |
5.6 |
190 |
8 |
M20 |
160 |
|
|
125 |
110 |
195 |
110 |
125 |
132 |
- |
9.2 |
220 |
8 |
M24 |
205 |
|
|
150 |
125 |
225 |
127 |
150 |
158 |
- |
15 |
250 |
8 |
M24 |
225 |
|
|
200 |
160 |
,290 |
165 |
200 |
208 |
- |
26 | |||||