
一、产品三片式球阀的详细资料:
产品型号: 3PCQ11F-64P
产品名称: 三片式球阀
产品特点: 应用规范公称压力:1.6-6.4MPa 适用温度范围:-20~232℃~350℃ 适用介质:水、油、气及某些腐蚀液体(W.O.G)螺纹类型:G·NPT.BSPT.BSP.DIN259/2999 三片式球阀价格,三片式球阀厂家,三片式球阀报价。
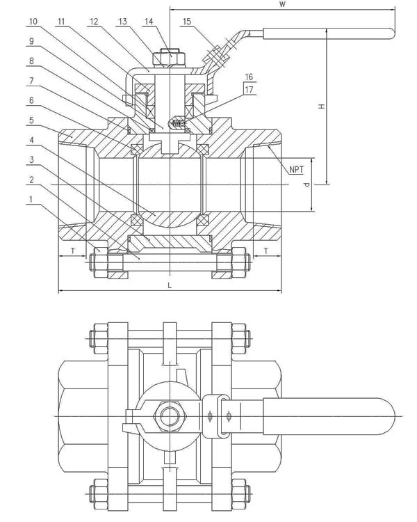
二、主要零件材料:
|
序号 |
零件名称 |
材质 |
|
|
不锈钢 |
碳钢 |
||
|
1 |
阀体 |
不锈钢CF8M |
碳钢WCB |
|
2 |
密封圈 |
聚四氟乙烯PTFE |
聚四氟乙烯PTFE |
|
3 |
阀盖 |
不锈钢CF8M |
碳钢WCB |
|
4 |
球体 |
不锈钢SS316 |
不锈钢SS304 |
|
5 |
阀杆 |
不锈钢SS316 |
不锈钢SS316 |
|
6 |
螺母 |
不锈钢SS304 |
FCD45 |
|
7 |
垫圈 |
不锈钢SS304 |
FCD45 |
|
8 |
手柄套 |
塑料 |
塑料 |
|
9 |
手柄 |
不锈钢SS304 |
不锈钢SS304 |
|
10 |
阀杆螺母 |
不锈钢SS304 |
B7 |
|
11 |
垫圈 |
不锈钢SS304 |
不锈钢SS304 |
|
12 |
填料压盖螺母 |
不锈钢SS304 |
FCD45 |
|
13 |
填料 |
聚四氟乙烯PTFE |
聚四氟乙稀PTFE |
|
14 |
止推垫圈 |
聚四氟乙烯PTFE |
聚四氟乙稀PTFE |
|
15 |
填料 |
聚四氟乙烯PTFE |
聚四氟乙稀PTFE |
|
16 |
螺栓 |
不锈钢SS304 |
B8 |
三、三片式球阀主要尺寸:
|
SIZE |
1/4″ |
3/8″ |
1/2″ |
3/4″ |
1″ |
11/4″ |
11/2″ |
2″ |
21/2″ |
3″ |
4″ |
|
D |
11.6 |
12.7 |
15 |
20 |
25 |
32 |
38 |
50 |
65 |
80 |
100 |
|
L |
68 |
68 |
72 |
85 |
90 |
112 |
120 |
145 |
185 |
210 |
268 |
|
H |
100 |
100 |
130 |
130 |
165 |
165 |
190 |
190 |
250 |
250 |
280 |
|
E |
100 |
100 |
130 |
130 |
165 |
165 |
190 |
190 |
250 |
250 |
280 |
|
重量WT(g) |
400 |
405 |
640 |
890 |
1160 |
2195 |
2940 |
4865 |
7000 |
10700 |
19350 |
订货须知:
一、①三片式内螺纹球阀产品名称与型号②三片式内螺纹球阀口径③三片式内螺纹球阀是否带附件以便我们的为您正确选型。
二、若已经由设计单位选定公司的不锈钢三片式球阀型号,请按三片式内螺纹球阀型号直接向我司销售部订购。
三、当使用的场合非常重要或环境比较复杂时,请您尽量提供设计图纸和详细参数,由我们的专家为您审核把关。
感谢您访问我们的网站,如有任何疑问.您可以致电给我们,我们一定会尽心尽力为您提供优质的服务.