
产品气动内螺纹三通球阀详细资料:
产品型号:Q614F/Q615F
产品名称:气动内螺纹三通球阀
产品介绍:
气动三通内螺纹球阀是综合国内外先进技术而开发的新型三通切换型调节/切断阀门。标准球芯有L型三通双通道,改变球芯与管道的相对角度,可以对三支管道流体实现不同的组合控制;T型气动三通内螺纹球阀可起配比作用,适用于液休、气体、蒸汽等介质的配比调节与控制。气动三通内螺纹球阀由气动活塞式双作用或单作用(弹簧复位式)执行机构组成,有比例调节型(采用电-气阀门定位器,以电信号和压缩空气为动力,接受控制系统输入的0-10mA DC或4-20mA DC电流信号,改变球芯的旋转角度,可实现比例调节动作)。二位切换型(采用电磁换向阀、阀位回讯器,以AC220V或DC24V电源电压和压缩空气作动力,实现对流体介质的快速切换控制)。
工作原理:
气动内螺纹球阀的球体分L型和T型,气动执行器带动球体经90度的旋转动作来达到换向的控制目的,或经180度的旋转动作来达到换向与分流合流的控制目的。执行器与阀体的直接连接减少了发生故障的机率。螺纹的连接适用与小管路,更加经济实惠。
产品特点:
1、结构紧凑、启闭迅速、流道畅通、流体阻力小。
2、密封性能好:利用四面阀座材料聚四氟乙烯弹性变形实现无泄漏密封。
3、一阀多用:任一通口可用作入口而无泄漏,三通既可制成L型通口,也可制成T型通口。
4、维修方便:在系统卸压后,无需拆下整个阀体就可进行检查和维修。
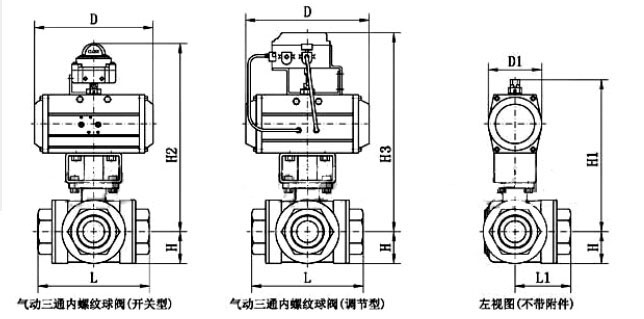
Q614F、Q615F气动球阀结构图
| 执行器型号 | GT、SR、ST、AT系列单(双)作用气动执行器 |
| 供气压力 | 0.4~0.7MPa |
| 气源接口 | G1/4"、G1/8"、G3/8"、G1/2" |
| 环境温度 | -20~+90℃ |
| 作用形式 |
单作用执行机构:气关式(B)--失气时阀位开(FO);气开式(K)--失气时阀位关(FC) 双作用执行机构:气关式(B)--失气时阀位保持(FL);气开式(K)-- 失气时阀位保持(FL) |
| 可配附件 | 定位器、电磁阀、空气过滤减压器、保位阀、行程开关、阀位传送器、手轮机构等 |
主要外形和连接尺寸单位(mm):
|
Q644/645F-16 |
|||||||||||
|
通径DN |
L |
L1 |
D |
K |
D1 |
n-Φd |
b |
f |
H |
W |
|
|
mm |
in |
||||||||||
|
25 |
1″ |
200 |
100 |
115 |
85 |
65 |
4-Φ14 |
16 |
2 |
193 |
140 |
|
32 |
1 1/4″ |
220 |
100 |
140 |
100 |
76 |
4-Φ18 |
18 |
2 |
212 |
164 |
|
40 |
1 1/2″ |
250 |
125 |
150 |
110 |
84 |
4-Φ18 |
18 |
2 |
230 |
164 |
|
50 |
2″ |
260 |
130 |
165 |
125 |
99 |
4-Φ18 |
20 |
3 |
268 |
190 |
|
65 |
2 1/2″ |
300 |
150 |
185 |
145 |
118 |
4-Φ18 |
20 |
3 |
293 |
210 |
|
80 |
3″ |
320 |
160 |
200 |
160 |
132 |
8-Φ18 |
20 |
3 |
325 |
247 |
|
100 |
4″ |
370 |
185 |
220 |
180 |
156 |
8-Φ18 |
22 |
3 |
380 |
276 |
|
125 |
5″ |
430 |
215 |
250 |
210 |
184 |
8-Φ18 |
22 |
3 |
468 |
348 |
|
150 |
6″ |
480 |
240 |
285 |
240 |
211 |
8-Φ23 |
24 |
3 |
510 |
378 |
|
200 |
8″ |
550 |
275 |
340 |
295 |
256 |
12-Φ23 |
24 |
3 |
655 |
432 |
法兰标准:GB9113亦可按ANSI B16.5、JIS B2212
备注:L(T)形三通阀由气动执行机构和三通球阀组成,是一种旋转类切断调节阀门,具有关闭严密,结构紧凑,重量轻,维修方便等优点。广泛用于气体、液体、蒸汽、油品等腐蚀性介质的管道自动化控制中。
订货须知:
一、①气动三通法兰球阀产品名称与型号②气动三通法兰球阀口径③气动三通法兰球阀是否带附件以便我们的为您正确选型。
二、若已经由设计单位选定公司的气动三通法兰球阀型号,请按气动三通法兰球阀型号直接向我司销售部订购。
三、当使用的场合非常重要或环境比较复杂时,请您尽量提供设计图纸和详细参数,由我们的专家为您审核把关。
感谢您访问我们的网站,如有任何疑问.您可以致电给我们,我们一定会尽心尽力为您提供优质的服务.
你可能对气动真空球阀相关的产品信息感兴趣:GU手动真空球阀、GUQ气动真空球阀