
二片式高平台球阀产品介绍
二片式高平台球阀用于截断或接通管路中的介质,适用于PN1.0~6.4MPa,工作温度-29~180℃(密封圈为增强聚四氟乙烯)或-29~300℃(密封圈为对位聚苯)的各种管路上,选用不同的材质,可分别适用于水、蒸汽、油品、硝酸、醋酸等多种介质
高平台球阀产品标准
平台标准:ISO-5211
启闭力N:DN50:500-600
可选配装置: 电动执行器, 气动执行器, 手柄
产品设计标准: GB/T12237, ASME16.34, API608
管螺纹标准: GB/T7306, GB/T7307, ISO7-1, ISO288-1, ASMEB1.20.1, BS21, DIN2999/599, BSP
检验标准: JB/T9092,API598, EN12266
工作压力: 1000WOG/PSI
温度范围: -46°C ~ 200°C (-50°F~350°F)
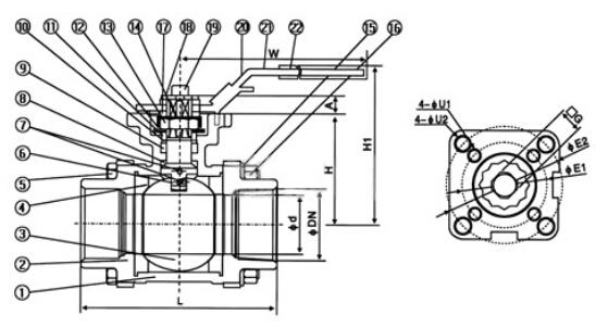
Q11F二片式高平台球阀结构图
Q11F高平台球阀主要部件材料
|
适用介质 |
型号 |
阀体 |
球体、阀杆 |
手柄 |
密封 |
垫片、填料 |
|
水 蒸汽、油品 |
Q11F-16C Q11F-25C Q11F-40C Q11F-64C |
A105/45 |
1Cr18Ni9Ti/1Cr18 |
SS304 |
PTFE/PPL |
PTFE/PPL |
|
硝酸类 |
Q11F-16P Q11F-25P Q11F-40P Q11F-64P |
SS304/1Cr18Ni9Ti |
SS304/1Cr18Ni9Ti |
|||
|
醋酸类 |
Q11F-16R Q11F-25R Q11F-40R Q11F-64R |
SS316/Cr18Ni12Mo2Ti |
SS316/Cr18Ni12Mo2Ti |
主要外形及连接尺寸
|
公称通径 |
尺寸in |
尺寸 |
|
|
|
|
|
|
d |
L |
W |
H |
E |
D |
||
|
DN6 |
1/4" |
8 |
60 |
110 |
56 |
11.5 |
30 |
|
DN10 |
3/8" |
10.5 |
60 |
110 |
58 |
11.5 |
31 |
|
DN15 |
1/2" |
13 |
60 |
110 |
58 |
14 |
32 |
|
DN20 |
3/4 |
17 |
67.5 |
110 |
62 |
15 |
38 |
|
DN25 |
1" |
18 |
73 |
110 |
68 |
15 |
45 |
|
DN32 |
1 1/4" |
22 |
90 |
150 |
75 |
18 |
53.4 |
|
DN40 |
1 1/2" |
25 |
97.5 |
150 |
83 |
19 |
63 |
|
DN50 |
2" |
32 |
112 |
150 |
90 |
19 |
73 |
|
DN65 |
2 1/2" |
40 |
132 |
180 |
95 |
21 |
92 |
|
DN80 |
3" |
50 |
156 |
220 |
100 |
27 |
109 |
|
DN100 |
4" |
65 |
196 |
250 |
115 |
29 |
138 |