
D371X对夹式蜗轮传动软密封蝶阀产品概述:
我公司研制的软密封中线对夹式蝶阀,双偏心法兰式蝶阀结构紧凑,90°回转开关轻松,密封可靠,使用寿命长,被广泛用于水厂、电厂、钢厂、造纸、化工、饮食等系统供排水中,作为调节和截止使用。
D371X对夹式蜗轮传动软密封蝶阀特点:
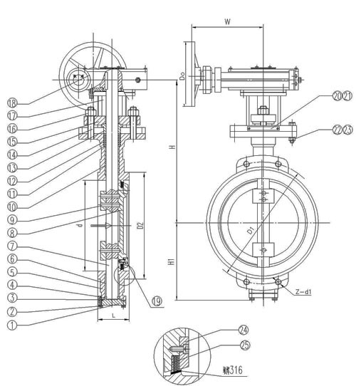
1、本阀采用双偏心结构,具有越关越紧的密封功能,密封性能可靠。
2、密封副材料选用不锈钢和丁腈耐油橡胶配对,使用寿命长。
3、橡胶密封圈即可位于阀体上,也可以位于蝶板上,可适用不同特点的介质,供用户选择。
4、蝶板采用框架结构,强度高,过流面积大,流阻小。
5、整体烤漆、能有效地防止锈蚀且只要更换密封阀座密封材料,就可使用于不同介质。
6、本阀具有双向密封功能,安装时不受介质流向的控制,也不受空间位置的影响,可在任何方向安装。
7、本阀结构独特,操作灵活,省力,方便。
D371X对夹式蜗轮传动软密封蝶阀主要结束参数:
|
公称通经DN(mm)
|
50~2000
|
50~1600
|
|
|
公称药理PN(MPa)
|
0.6
|
1.0
|
1.6
|
|
密封试验(MPa)
|
0.66
|
1.1
|
1.76
|
|
强度试验(MPa)
|
0.9
|
1.5
|
2.4
|
|
适用温度
|
丁腈橡胶:-40℃~90℃氟橡胶:-20℃~200℃
|
||
|
适用介质
|
水、空气、天然气、油品及弱腐蚀性流体
|
||
|
泄漏率
|
符合GB/T13927-92标准
|
||
|
驱动方式
|
蜗轮传动、电动、气动、液动
|
||
D371X对夹式蜗轮传动软密封蝶阀主要零部件材料:
|
零件名称
|
材料
|
|
阀体
|
WCB、QT450-10、HT200、HT250
|
|
蝶板
|
WCB、QT450-10、HT200、HT250
|
|
阀轴
|
2Cr13
|
|
密封圈
|
丁腈耐油橡胶
|
|
填料
|
柔性石墨
|
D371X对夹式蜗轮传动软密封蝶阀执行标准:
|
制造标准
|
GB/T 122387-89
|
|
法兰标准
|
GB9113-2000、GB17241.6-1998
|
|
结构长度标准
|
GB12221-89
|
|
检验标准
|
GB/T 13927-92
|
七、D371X-6/10/16对夹式蜗轮传动软密封蝶阀主要外形连接尺寸: 单位:mm
|
DN
|
L
|
H
|
HO
|
A
|
B
|
0.6MPa
|
1.0MPa
|
1.6MPa
|
|||
|
DO
|
n-d
|
DO
|
n-d
|
DO
|
n-d
|
||||||
|
50
|
43
|
63
|
306
|
180
|
200
|
110
|
4-14
|
125
|
4-18
|
125
|
4-18
|
|
65
|
46
|
70
|
321
|
180
|
200
|
130
|
4-14
|
145
|
4-18
|
145
|
4-18
|
|
80
|
46
|
83
|
346
|
180
|
200
|
150
|
4-18
|
160
|
8-18
|
160
|
8-18
|
|
100
|
52
|
105
|
387
|
180
|
200
|
170
|
4-18
|
180
|
8-18
|
180
|
8-18
|
|
125
|
56
|
115
|
411
|
180
|
200
|
200
|
8-18
|
210
|
8-18
|
210
|
8-18
|
|
150
|
56
|
137
|
447
|
270
|
280
|
225
|
8-18
|
240
|
8-22
|
240
|
8-22
|
|
200
|
60
|
164
|
572
|
270
|
280
|
280
|
8-18
|
295
|
8-22
|
295
|
8-22
|
|
250
|
68
|
206
|
646
|
270
|
280
|
335
|
12-18
|
350
|
12-22
|
355
|
12-26
|
|
300
|
78
|
230
|
738
|
380
|
420
|
395
|
12-22
|
400
|
12-22
|
410
|
12-26
|
|
350
|
78
|
248
|
761
|
380
|
420
|
445
|
12-22
|
460
|
16-22
|
470
|
16-26
|
|
400
|
102
|
289
|
877
|
450
|
470
|
495
|
16-22
|
515
|
16-26
|
525
|
16-30
|
|
450
|
114
|
320
|
938
|
480
|
490
|
550
|
16-22
|
565
|
20-26
|
585
|
20-30
|
|
500
|
127
|
343
|
993
|
480
|
490
|
600
|
20-22
|
620
|
20-26
|
650
|
20-33
|
|
600
|
154
|
413
|
1131
|
480
|
490
|
705
|
20-26
|
725
|
20-30
|
770
|
20-36
|
|
700
|
165
|
478
|
1476
|
640
|
660
|
810
|
24-26
|
840
|
24-30
|
840
|
24-36
|
|
800
|
190
|
525
|
1533
|
640
|
660
|
920
|
24-30
|
950
|
24-33
|
950
|
24-39
|
|
900
|
203
|
585
|
1655
|
750
|
860
|
1020
|
24-30
|
1050
|
28-33
|
1050
|
38-39
|
|
1000
|
216
|
640
|
1765
|
850
|
900
|
1120
|
28-30
|
1160
|
28-36
|
1170
|
28-42
|
|
1200
|
254
|
755
|
1995
|
850
|
900
|
1340
|
32-33
|
1380
|
32-39
|
1390
|
32-48
|
八、D371X对夹式蜗轮传动软密封蝶阀订货说明:
1、①产品名称与型号②公称直径③阀体材质④公称压力⑤使用介质⑥连接方式⑦使用温度⑧驱动方式⑨密封形式⑩是否带附件以便我们的为您正确选型。
2、如有特殊要求时请在订购产品时注明
3、若已经由设计单位选定的型号,请按型号直接向我司销售部订购。
4、当使用的场合非常重要或环境比较复杂时,请您尽量提供设计