
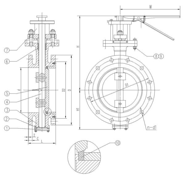
型号:D41X-16
材质:不锈钢
连接形式:法兰
结构形式:垂直板式
适用介质:各种高腐蚀化学介质
压力环境:高压
工作温度:高温
标准:国标
流动方向:换向
驱动方式:手动
零部件及配件:阀杆
用途:调节
类型(通道位置):直通式 用 途:
蝶阀是用圆形蝶板作启闭件并随阀杆转动来开启、关闭和调节流体通道的一种阀门。
蝶阀不仅结构简单、体积小、重量轻、材料耗用省,安装尺寸小,而且驱动力矩小,操作简便、迅速,并且还同时具有良好的流量调节功能和关闭密封特性,在大中口径、中低压力的使用领域,蝶阀是主导的阀门形式。
随着防腐合成橡胶和聚四氟乙烯的应用,蝶阀的性能得以提高,并满足于不同的工况条件。近十几年来,金属密封蝶阀发展迅速,随着耐高温、耐低温、耐强腐蚀、耐强冲蚀、高强度合金材料在蝶阀中的应用,使金属密封蝶阀在高温、低温、强冲蚀等工况条件下得到广泛的应用,并部分取代了截止阀、闸阀和球阀。
适用场合:
由于蝶阀阀板的运动带有擦拭性,故大多数蝶阀可用于带悬浮固体颗粒的介质,依据密封件的强度也可用于粉状和颗粒状的介质。
蝶阀的结构长度和总体高度较小,开启和关闭速度快,在完全开启时,具有较小的流体阻力,当开启到大约15°至70°之间时,又能进行灵敏的流量控制,蝶阀的结构原理最适合于制作大口径阀门。
在下列工况条件下,推荐选用蝶阀:
①要求节流、调节控制流量;
②泥浆介质及含固体颗粒介质;
③要求阀门结构长度短的场合;
④要求启闭速度快的场合;
⑤压差较小的场合。
在双位调节、缩口的通道、低噪声、有气穴和气化现象,向大气少量渗漏,有磨蚀性介质时,可以选用蝶阀。
在特殊工况条件下节流调节或要求密封严格,或磨损严重、低温(深冷)等工况条件下使用蝶阀时,需使用特殊设计金属密封带调节装置的三偏心或双偏心的专用蝶阀。
软密封蝶阀适用于通风除尘管路的双向启闭及调节,冶金、轻工、电力、石油化工系统的煤气管道及水道等。
金属对金属线密封双偏心蝶阀适用于供热、供汽、供水及煤气、油品、酸碱等管路,作为调节和截流装置。
金属对金属面密封三偏心蝶阀除作为大型变压吸附气体分离控制阀外,还可广泛用于石油、化工、冶金、电力、食品、医药、给排水、气体输送等领域。
主要零部件材料
|
零件名称 |
材质 |
|
阀体 |
铸铁 球墨铸铁 铸钢 |
|
蝶板 |
铸铁 球墨铸铁 尼龙涂层板 衬胶板 CF8 CF8M 2507 1.4529 |
|
密封圈 |
丁晴橡胶(NBR) 三元乙丙橡胶(EPDM) 聚四氟乙烯(PTFE) |
|
阀杆 |
45# 1Cr13 |
|
填料 |
O型圈 柔性石墨 |
主要外形尺寸
|
DN |
L |
H |
H0 |
A |
B |
D |
D1 |
D2 |
n-d |
|
50 |
108 |
63 |
306 |
180 |
200 |
165 |
125 |
99 |
4-18 |
|
65 |
112 |
70 |
321 |
180 |
200 |
185 |
145 |
118 |
4-18 |
|
80 |
114 |
83 |
346 |
180 |
200 |
200 |
160 |
132 |
8-18 |
|
100 |
127 |
105 |
387 |
180 |
200 |
220 |
180 |
8 |
4-18 |
|
125 |
140 |
115 |
411 |
180 |
200 |
250 |
210 |
184 |
8-18 |
|
150 |
140 |
137 |
447 |
270 |
280 |
285 |
240 |
211 |
8-22 |
|
200 |
152 |
164 |
572 |
270 |
280 |
340 |
295 |
266 |
12-22 |