
一、产品[填料整体式法兰球阀]的详细资料:
产品型号:Q41PPL
产品名称:填料整体式法兰球阀
产品特点:应用规范公称压力:1.6~4.0MPa 适用湿度范围:-20~232℃~350℃ 适用介质:水、油、气及某些腐蚀性液体(W、O、G)填料整体式法兰球阀,整体式法兰球阀,法兰球阀。
二、 说明:
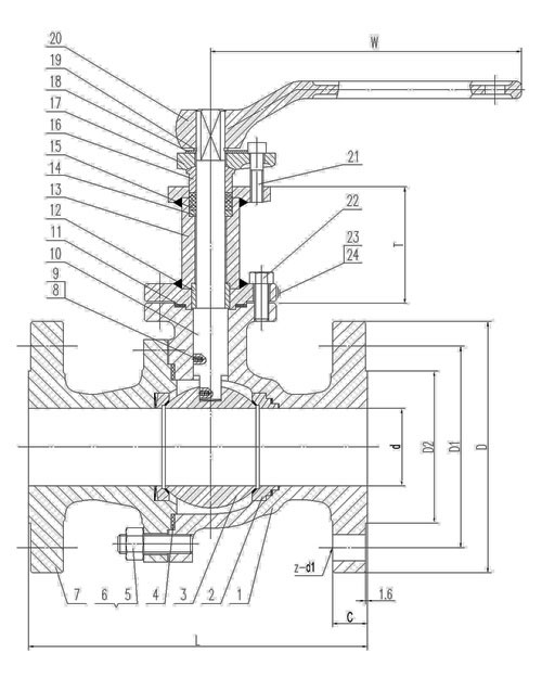
填料仓整体式法兰球阀系我公司历经两年试制而成的最新专利球阀产品。该产品既具有广式球阀体积小、安装方便的特点,又具有国标法兰全通径不易泄漏的优点,一举改变了以往方式法兰球阀流量小,易泄漏的固疾,也解决了国标法兰球阀过于笨重的缺点,而具阀体可采用精铸造工艺,外形美观大方。全通径、大径量,连接尺寸符合广式法兰球阀标准,预计将在越来越多的管道上得到广泛的使用。
三、填料整体式法兰球阀主要零件材料:
|
适用介质 |
型号 |
阀体 |
球体、阀杆 |
手柄 |
密封圈 |
垫片、填料 |
|
水、蒸汽、油品 |
Q41F-16C、Q41F-25C |
A105、45 |
1Cr18/1Cr18Ni9Ti |
不 |
聚四氟乙烯PTFE增强聚四氟乙烯VUILUK PTFE对位聚苯PPL |
聚四氟乙烯PTFE对位聚苯PPL |
|
硝酸类 |
Q41F-16P、Q41F-25P |
SS304/1Cr18Ni19Ti |
SS304/1Cr18Ni9Ti |
|||
|
醋酸类 |
Q41F-16R、Q41F-25R |
SS316/Cr18Ni12Mo2Ti |
SS316/1Cr18Ni12Mo2Ti |
注:填料仓整体法兰球阀结构尺寸与方式法兰球阀相同,别外我公司不定期生产填料仓内螺纹球阀,广泛用于燃气、化工、石油等行业。
订货须知:
1.产品型号与名称 2.公称通径DN 3.额定流量系数KV 4.公称压力和压差 5.阀体和阀内组件材料 6.流量特性 7.适用温度 8.电源电压和控制信号 9.是否带附件